12月1日,浙能兰溪发电有限责任公司#2机组DEH/ETS升级改造后,一次投运成功。本次改造是继#3、#4机组成功投运后,双伺服DEH技术再次成功应用于该厂660MW级超临界机组,进一步验证了新华DEH控制技术的先进性和可靠性。
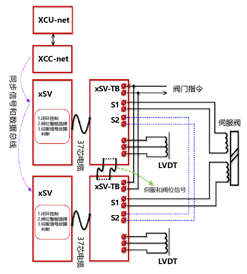
新华科技双伺服DEH控制系统的特点
高可靠性
采用冗余伺服架构,阀门定位关键环节冗余容错,避免了单伺服故障带来的运行隐患。

热备冗余
热备工作模式,双回路同时工作,不存在主、备之分;
高速控制
硬件处理周期<8ms,模件之间快速响应和跟踪,无须经过控制器层;
在线维护
设计有故障自检、互检、自杀自动退出及自动补偿等功能,可以在线进行切换、更换,实现阀门无扰控制,无后顾之忧;
数字智能
智能识别,几步轻松完成阀门满度和零位整定。

此外,新华科技双伺服控制技术也已成功应用于多个大容量机组100%给水泵汽轮机MEH系统的升级改造上,可避免因给水泵小机的单伺服偶发故障引起的锅炉灭火、主机跳闸,甚至局部电网震荡等严重事故的发生。
本项目的成功投运,为国内超(超)临界机组的DEH/ETS改造升级提供了成熟样板,为伺服系统的全国产化冗余改造积累了宝贵经验。目前,新华科技双伺服DEH技术已在30余台300MW/600MW等级火电和核电机组上稳定运行。未来,新华科技将继续发挥在DEH控制领域的传统优势,持续为行业用户贡献新的更大的力量。